Tlemcen Car electronics

Tlemcen Car electronics (https://www.tlemcen-electronic.com/forum/)
-   Autres marques (https://www.tlemcen-electronic.com/forum/forum156/)
-   -   TATA Truck Service Manuals and Wiring Diagrams (https://www.tlemcen-electronic.com/forum/autres-marques/104145-tata-truck-service-manuals-wiring-diagrams.html)

Aleksey-MS 27/06/2022 09h37

TATA Truck Service Manuals and Wiring Diagrams
 
1 pièce(s) jointe(s)
TATA Truck Service Manuals and Wiring Diagrams

What inside:
  • ТАТА LPT-613 Service Manual
  • LPTA 713S 4x4TRUCK
  • Tata Ace Zip Brochure
  • Tata LPK 2516 C EURO-II Parts list
  • Tata LPK2518HD-38-BS3-G1150-MT-ERGO-AC-14BOX Parts list
  • TATA LPT 1618-52, 697 TCIC Euro 3 Part List
  • TATA LPT 613 Operator’s Service Book
  • Tata Xenon Owners Manual
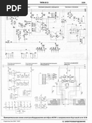
  • TATA-613 Wiring Diagram
https://imgv2-2-f.scribdassets.com/i...1591704360?v=1
Need it? Push buttons Rate (Reputation) and Thanks, PM for pass.

Aleksey-MS 23/11/2022 15h56

1 pièce(s) jointe(s)
Added
TATA SRF LCV 709 BUS Parts List
FUSE BOX & RELAY COVER TATA 613
Diagnostics doc for 14L_22L Fault Codes List
Bulb specifications TATA 613
TATA 1518c Install Guide
TATA 407 wiring diagram


Fuseau horaire GMT +1. Il est actuellement 15h25.

Powered by vBulletin® Version 3.8.11
Copyright ©2000 - 2026, Jelsoft Enterprises Ltd.
Version française #23 par l'association vBulletin francophone
Search Engine Optimisation provided by DragonByte SEO (Pro) - vBulletin Mods & Addons Copyright © 2026 DragonByte Technologies Ltd.
Tlemcen-electronic © All right reserved